Артикул 96275343
Grundfos

Насос циркуляционный TPE 32-60/2-S без упаковки (96275343), Grundfos

78 600 р. / шт.
сопутствующие товары
Новый, без упаковки и со следами установки
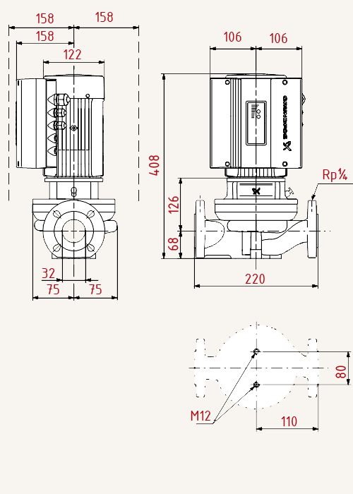
TPE Серии 2000, 2900 об/мин, 1 х 220-240 B BUBE.
Одинарный насос TPE Серии 2000 (с датчиком перепада давления), 2900 об/мин. В комплект поставки входит электродвигатель со встроенным частотным преобразователем и ПИ-регулятором, а также система управления электродвигателем. Поверхность чугунного корпуса насоса имеет коррозионностойкое покрытие, нанесенное методом катафореза. Насосы с уплотнением BUBE предназначены для перекачивания технической воды 0...140 °C в системах отопления, вентиляции, кондиционирования.
Адрес магазина
Режим работы
Наличие
г. Чита, ул. Кирова, 17
1 шт.
24x7 на связи
Недавно просмотренные
Мы используем файлы cookie. Продолжив использование сайта, Вы соглашаетесь с политикой использования файлов cookie, обработки персональных данных и конфиденциальности. Подробнее