Артикул 013G3366
Danfoss

Присоединительная деталь RA-KЕ 15 1/2" (013G3366), Danfoss

613 р. / шт.
сопутствующие товары
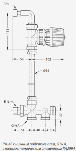
Присоединительная деталь RA-KE с запорным краном и
патрубками с наружной резьбой 3/4" для нижнего подключения трубопроводов входит в состав присоединительно-регулирующей гарнитуры.
Присоединительно-регулирующая гарнитура DANFOSS RA-KE предназначена для применения в однотрубных насосных системах водяного отопления с подпольной прокладкой трубопроводов. RА-KE отличается простотой монтажа и современным дизайном.
Гарнитура RA-KE состоит из отвода, регулирующего клапана, соединительной трубки и присоединительной детали (013G3366). Регулирующий клапан гарнитуры снабжен устройством для предварительной (монтажной) настройки его пропускной способности.
Клапан присоединительно-регулирующей гарнитуры типа RА-KE можно комбинировать с любыми термостатическими элементами серий RA 2000 и RAW, а также с термостатическим приводом TWA-A.
Аналог: Danfoss 013G7040
Адрес магазина
Режим работы
Наличие
г. Чита, ул. Кирова, 17
22 шт.
24x7 на связи
Мы используем файлы cookie. Продолжив использование сайта, Вы соглашаетесь с политикой использования файлов cookie, обработки персональных данных и конфиденциальности. Подробнее